Het trimmen van uw buitenboordmotor kan een aanzienlijk verschil maken in de prestaties van uw boot. Het correct instellen van de trimpositie is cruciaal om brandstof- of energieverbruik te optimaliseren en de algehele vaarefficiëntie te verbeteren. Deze gids biedt diepgaande inzichten en professionele tips om u te helpen een expert te worden in het trimmen van uw buitenboordmotor.

Wat is trimmen van een buitenboordmotor?
Trimmen verwijst naar de hoek van de schroefas ten opzichte van de boot. Er zijn drie basissituaties voor de trimpositie van een buitenboordmotor:
- Neutrale trim: Dit is de standaardpositie waarbij de aandrijving evenwijdig loopt aan het wateroppervlak. De buitenboordmotor staat parallel aan de spiegel van de boot.
- Positieve trim: Hierbij is de motor naar boven gekanteld, wat resulteert in een stijgende boeg van de boot.
- Negatieve trim: In deze positie is de motor naar beneden gekanteld, waardoor de boeg van de boot zakt.
Hoe trim je een buitenboordmotor?
Het aanpassen van de trimpositie gebeurt door de motor omhoog of omlaag te kantelen:
- Omhoog trimmen: Kantel de motor omhoog, waardoor de propeller meer naar beneden in het water is gericht.
- Omlaag trimmen: Kantel de motor naar achteren, zodat de propeller dichter bij de boot komt en meer naar het wateroppervlak wijst.
Het is belangrijk om trimmen niet te verwarren met kantelen. Trimmen wordt gebruikt om de houding van de romp van de boot aan te passen tijdens het varen. De kantelfunctie daarentegen dient om de onderste eenheid van de motor uit het water te tillen voor transport of gebruik in ondiep water.
Sommige moderne elektrische buitenboordmotoren, zoals die van ePropulsion, bieden meerdere trimopties en een aanzienlijke kantelhoek om de motor uit het water te halen of los te koppelen van de boot.
Hoe trim je je boot, met buitenboordmotor of binnenboordmotor [Basisprincipes van boottrimmen] – NAUTIMUNDO
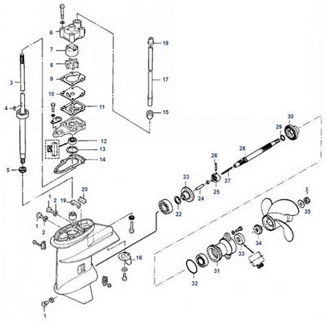
Informatie over Force Buitenboordmotor Onderdelen
Wanneer u op zoek bent naar onderdelen voor uw Force buitenboordmotor, kan dit soms een uitdaging zijn. De oudere Force buitenboordmotoren zijn gebaseerd op Chrysler-modellen, terwijl de modellen van na circa 1996 van Mercury zijn, vaak herkenbaar aan de aanduiding 'Force by Mercury' op de kap.
Mercury heeft bij latere series Force buitenboordmotoren aanpassingen gedaan aan onderdelen die vaak problemen veroorzaakten, zoals de staartstukken en elektronica. De staartstukken, waterpompen en impellers van de Chrysler-modellen verschillen aanzienlijk van die van de Mercury-modellen. Het is daarom raadzaam om de te vervangen onderdelen van uw Force buitenboordmotor eerst zorgvuldig te inspecteren voordat u nieuwe bestelt. Dit geldt overigens voor alle merken buitenboordmotoren.
Historie van Force Outboards
Ongeveer halverwege de jaren '80 werd Chrysler omgedoopt tot Force Outboards. Gedurende een groot deel van de geschiedenis was dit merk eigendom van US Marine (Bayliner Boats), wat verklaart waarom Bayliner boten jarenlang standaard werden uitgerust met een Force buitenboordmotor.
Begin jaren '90 werd Force overgenomen door Mercury Marine. Brunswick, de fabrikant van Mercury Marine, nam US Marine / Bayliner Boats over, inclusief de Force buitenboordmotor lijn. Mercury ontwikkelde en paste de Force buitenboordmotoren verder aan met eigen onderdelen.
Bouwjaren en Onderdelen
- Motoren met bouwjaren tot 1990 zijn altijd Chrysler-modellen.
- Voor motoren met bouwjaren van 1990-1995 is het cruciaal om goed te kijken welk type en merk uw Force buitenboordmotor onderdelen betreffen.
- Motoren met bouwjaren van 1995-1999 zijn hoogstwaarschijnlijk uitgerust met een compleet Mercury staartstuk en elektronica.
Als u er niet helemaal uitkomt met het identificeren van de juiste onderdelen, kan het helpen om de te vervangen onderdelen eerst te demonteren en te vergelijken met de beschikbare afbeeldingen van nieuwe onderdelen.
Veelvoorkomende Problemen en Oplossingen voor Force Buitenboordmotoren
Indien uw buitenboordmotor niet start, of er zijn andere elektrische problemen, zijn er verschillende componenten die u kunt controleren.
Ontstekings- en Elektronicaproblemen
Als uw buitenboordmotor niet start terwijl deze wel voldoende brandstof krijgt, controleer dan de vonk op alle bougies. Als er geen vonk is, kunnen de volgende onderdelen defect zijn:
- Powerpack
- CDI (Capacitor Discharge Ignition)
- Trigger
- Bobine
- Contactpunten
- Stator
Deze ontstekings- en elektronicacomponenten zijn vaak verkrijgbaar als reserveonderdelen.
Startmotor Problemen
Als de startmotor de buitenboordmotor niet meer ronddraait zoals voorheen, is deze waarschijnlijk defect en aan vervanging toe.
Onderdelen voor zowel de ontsteking/elektronica als de startmotor van uw Force buitenboordmotor kunnen doorgaans worden gevonden bij gespecialiseerde dealers.

tags: #power #trim #revisieset #force #buitenboordmotor